
人造板企業的熱能中心是以企業生產過程中所產的工業廢料、鋸木、切片、樹皮、木屑以及砂光粉等作為主要燃料經燃燒爐燃燒而產生的熱能(如熱風,熱油,蒸汽等多種熱載體)供給企業生產用熱的熱能供給設備。
熱能中心具有***,節能,環保,自動化成度高等優點,系統在處理廢料的同時,還解決了生產所需的熱能消耗,因而熱能中心已成為人造板制造的***佳方案。

這是年產 10 萬 m3 中密度纖維板廠熱能中心工藝設計方案。
該方案由高溫煙氣全部與導熱油爐進行熱量交換產生高溫導熱油。高溫導熱油的一部分供熱壓機使用;高溫導熱油的一部分與換熱器(蒸汽發生器)交換產生蒸汽、供熱磨機、制膠及其它所需的蒸汽的用熱設備使用;部分高溫導熱油與換熱器交換產生熱風與熱油爐所產生的煙氣經過二級除塵后可直接送給纖維干燥使用。
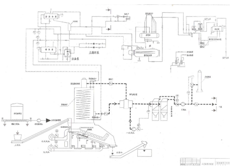
這是年產 20 萬 m3 中密度纖維板廠熱能中心工藝設計方案。

該方案由燃燒爐燃燒所產生的熱能(高溫煙氣):一路直接加熱導熱油爐盤管產生高溫導熱油,高溫導熱油供熱壓機,一路與余熱鍋爐進行熱交換產生蒸汽供熱磨機、制膠及其它所需的蒸汽設備,一路可迚行煙氣混合經過二級除塵調溫后供干燥機使用,有少量余熱排放。
熱能中心的系統構成是由:燃料供給系統, 燃燒室燃燒系統, 導熱油爐熱油供熱系統,蒸汽供熱系統, 煙氣供熱系統及控制系統等幾大部分組成。為滿足生產能力為 20000~2000000M3/a 人造板生產線的用熱需求,目前,公司可以提供 5-70MW/h 能源工廠的設計制造,并進行指導安裝和調試實行交鑰匙工程。
提供 1.從有機載熱體(高溫熱油)、蒸汽、水到潔凈煙氣或熱風的各種組合方案
提供 2. 從燃料制備,燃燒系統生產線各用熱設備的負荷調節系統(如熱油,熱水二次循 環系統,煙氣混合系統)的全套設計方案;
提供 3. 從技術交流,設計方案及優化,設備制造,安裝調試,交付運行到售后跟蹤全過程服務。

熱能中心規格一覽表
MDF, HDF | 年產 | 年產 | 年產 | 年產 | 年產 | 年產 |
年產量生產線 | 3 萬 m3 | 5 萬 m3 | 8 萬 m3 | 10 萬 m3 | 15 萬 m3 | 20 萬 m3 |
總 功 熱 量104kcal/h | 800 | 1200 | 1800 | 2100 | 3300 | 4200 |
A-1 熱油額供熱量104kcal/h | 80-100 | 120-160 | 200-300 | 350-450 | 500-550 | 600-700 |
A-2 蒸汽額定供熱量 t/h | 4 | 6 | 8 | 10 | 16 | 20 |
A-3 煙氣額定供熱量104kcal/h | 460 | 680 | 980 | 1000 | 1850 | 2240 |
注:非標生產線可按用戶要求特殊設計。
本公司針對木材工業,特別是人造板行業不同用戶的具體用熱需求,專門設計,制造完全適合用戶需求的用熱設備和用熱系統“熱能中心”,以達到***佳效果,全過程,全方位服務于人造板企業
我公司愿與鍋爐熱能同行一道為人造板生產企業的用熱設備“熱能中心”的能效,環保,發展作出貢獻。
真誠與您攜手合作
常州市上能鍋爐有限公司
聯系人芮亞平(總經理)
電話: 13815029577 (微信同號)