
常州市上能鍋爐有限公司***制造以導熱油為介質的低氮導熱油爐,低氮導熱油鍋爐,其規格為(10-2000萬大卡)供熱溫度高達350℃,供用熱設備用熱。***制造以(熔鹽)為導熱介質的燃氣熔鹽爐,其規格型號為(60-2000萬大卡)供熱溫度高達550℃的燃氣熔鹽爐。***制造燃氣蒸汽鍋爐,功率范圍:1t/h~25t/h 適用燃料:天然氣 燃燒方式:微正壓燃燒 NOX排放:NOx≤30mg 熱效率:熱效率≥103%

一.導熱油爐低氮改造,導熱油鍋爐低氮改造,項目工程概況
根據現行環保要求,原有燃天燃氣鍋爐的排放指標已不能滿足***近的環保排放標準,所以要對鍋爐的燃燒器進行改造,更換為超低氮燃燒器。
本項目采用進口牌超低氮燃燒器系統解決方案,即更換超低氮燃燒器并配套煙氣再循環的方式。
燃燒器及系統的改造設計,應充分滿足現有鍋爐設計技術參數與設計燃料的要求,***大限度地利用已有資源,盡量降低改造成本。設計原則為:
燃燒器點火及運行過程安全穩定可靠
設計合理,系統易于操作
氮氧化物濃度超低排放指標
保證鍋爐安全、穩定、經濟運行
1、本改造項目主要內容
1)拆除舊燃設備:
拆除舊燃燒設備,包括燃燒器、閥組控制設備等,拆除后廢舊設備存放至用戶指定地點;
2)提供滿足市場要求的(NOX < 30 mg/Nm3)燃燒器及設備:
提供***新型DOWSON超低氮燃燒器產品及配套設備;
3)提供配套燃燒控制系統:
提供配套燃燒控制系統,采用LAMTEC控制器與鍋爐原有控制系統相連接;
4)配套提供燃燒器改造需要更換的閥門系統:
配套提供燃燒器改造需要更換的閥門和過濾器等,均為歐洲國家進口品牌。
5)完成燃燒器及電控系統的安裝、調試等工作;
2、改造內容概述:
本次我方將針1臺2400KW有機熱載體爐原有的燃燒器、燃燒器配套閥組、送風系統、燃燒器控制系統等設備進行***更新。燃燒系統低氮改造后,氮氧化物排放濃度<30mg/Nm3的要求,同時滿足我方承諾的性能保證值。
3、更換原有燃燒器
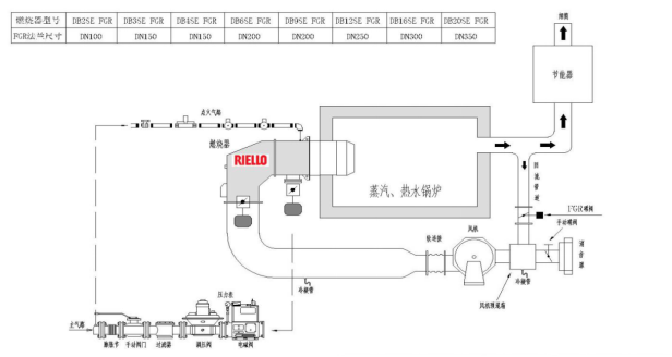
提供TB3 SE FGR系列燃氣超低氮分體機壹臺進行改造,和與此相配套的風機及控制器。
二、導熱油爐低氮改造,導熱油鍋爐低氮改造,超低氮燃氣燃燒器介紹:
1設計基礎條件:
1.1燃料氣:天然氣
1.2燃料氣壓力:15-30KPa
2、燃燒器選型及技術規格、配置清單
為確保機組的正常運行,我們選用意大利道森牌分體式燃燒器,該燃燒器具有“技術先進性能好,運行安全且可靠,經濟實用效率高,等特點。
本燃燒器實現全自動控制運轉,著火、停火動作和運轉控制,均按規定的順序自動運轉,十分安全,火焰監視器一感知不著火或失火就切斷燃燒,停止燃燒器并發出報警。
道森牌燃燒器對燃燒過程實行比例調節控制。
道森牌燃燒器燃燒后煙氣排放指標根據 DIN EN676 標準。
本燃燒器及燃料氣檢測系統,均為意大利原裝進口。
燃燒器采用電子比例式調節,燃燒器有一個隨負荷可變的混合燃燒頭,通過伺服電機改變擴散順之間的現狀間隙,從而導致相應的 功率改變,在這種調節下,即使在部分負荷條件也能保持穩定的燃燒 狀態,從而達到***大的燃燒效率。為確保機組的正常運行,我們選用 意大利道森牌熱風型天然氣燃燒器,該燃燒器嚴格符合歐盟 EN676, EN267 的燃氣和燃油技術性能標準設計和生產,具有“技術先進,運 行安全可靠,環保節能,市場占有率高,服務完善”等優點。整套燃 燒裝置由 燃氣系統、燃油系統、燃燒器本體、燃燒控制系統及風機 機組五部分組成。
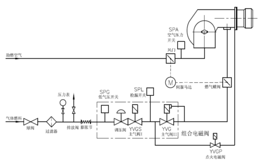
2.1. 燃氣系統圖
從主供應管線出來的天然氣通過過濾器、閥組和穩壓單元(把氣壓穩定在可用范圍內)后,伺服電機驅動下的燃氣蝶閥會精確控制閥芯轉角來調節氣量,機械式聯動風門調節板也同時轉動,調節助燃風量,以***佳的混合比例產生******的燃燒。

2.2. 煙氣再循環系統
為保證NOx排放濃度<50mg/Nm3,需增加煙氣再循環(FGR)系統
燃燒器作為混合裝置,首先要確保燃料與空氣均勻混合,并在一定的火焰范圍內完全燃燒。特定體積的燃料和空氣混合物在完全燃燒后存在過量空氣,理論上過量空氣量越低,燃燒器的熱效率越高。
燃燒器作為混合裝置,首先要確保燃料與空氣均勻混合,并在一定的火焰范圍內完全燃燒。特定體積的燃料和空氣混合物在完全燃燒后存在過量空氣,理論上過量空氣量越低,燃燒器的熱效率越高。
特定體積、特定流速的空氣與燃料壓降為燃燒器正常工作提供了可用的混合動力。這種來自于燃燒空氣流壓降與燃料流壓降之和所產生的動力,既混合空氣與燃料的能力直接影響火焰范圍內的產熱能力,可以得到理想的混合比;混合能力越佳,產生火焰越小,燃燒器性能越理想。

2.3方便維護的模塊化燃燒本體設計
利雅路標準機型可以從后部的分度螺絲來調節燃燒頭位置。***佳定位可在燃燒器啟動調節時觀察確定。該***佳定位根據不同的爐型和背壓等來現場實際確定,該***佳定位可令燃燒器獲得***理想的風燃比,從而實現***運行。這項技術的有利之處,不僅可以實現全出力范圍的理想燃燒,還可以拓展更大的調節比。通過降低***小可用出力,減少燃燒器的自動開關循環。
燃燒頭以及各組件模塊式裝配,采用大蓋板殼體設計,安裝和維護方便快捷。
DB系列燃燒頭的幾何形狀可調節,同時可以改變火焰形狀,大大提高了燃燒器與不同鍋爐的匹配吻合度;(其他品牌燃燒器燃燒頭形狀不可調節)
DB系列都采用鉸鏈連接,使燃燒器日常保養變得非常方便;
DB系列燃燒器空氣入口方向360度可選,可以滿足現場不同情況的安裝。
見下圖:

2.4助燃風機
風機的選用BMCIMM 品牌,SKF 軸承,性能優越,運行可靠。選型時充分考慮幾個因素:爐膛背壓、燃燒器出力、燃燒器自身阻力、空氣加熱器阻力、風道阻力、助燃風溫、工作環境如海拔等,完全滿足該爐型的燃燒要求。
三、導熱油爐低氮改造,導熱油鍋爐低氮改造,服務承諾
1.設備的可靠性承諾:安全可靠、***節能。
2.賣方按照合同條款規定保質、保量,按時將合同貨物送到買方指定地點;
3.在燃燒器、控制系統的有效使用期內,凡由于設計、制造、材質等原因出現的質量問題,賣方將承擔產品質量責任;
4.設備安裝時,賣方將派***人員進行技術指導,以施工設計方案的標準要求,保證安裝質量;
5.設備調試時,賣方將派***技術人員進入現場,確保調試全過程的順利進行;
6.在驗收工作中,對使用方提出的問題逐一加以解決,保證燃燒器、控制系統的各項指標、性能達到設計要求;
7.及時向使用方提供產品的全套技術文件及資料、樣本和安裝使用說明書;
8.賣方提供的燃燒器、燃氣系統、控制系統產品在驗收合格后,實行質保,在質保期內,非人為責任出現的事故,本公司免費承擔維修責任,質保期后實行終身服務;
9.賣方實行24小時全天候、全方位的售后服務,只要使用方需要,賣方有關人員可在6小時內給予答復并趕赴現場,排除故障;
10.賣方以定期或不定期的方式走訪用戶,實施跟蹤服務,了解產品的使用情況并建立用戶檔案,做好用戶服務工作。確保產品質量信息反饋處理率100%;
11.保修期承諾:收貨后18個月或調試合格后12個月,以先到為準;
12.人員培訓:免費對需方人員實現培訓,使其能掌握基本知識和操作燃燒器;
四、導熱油爐低氮改造,導熱油鍋爐低氮改造,低氮改造案例

常州市上能鍋爐有限公司***制造以導熱油為介質的低氮燃氣導熱油爐,低氮燃氣導熱油鍋爐,其規格為(10-2000萬大卡)供熱溫度高達350℃,供用熱設備用熱。***制造以(熔鹽)為導熱介質的燃氣熔鹽爐,其規格型號為(60-2000萬大卡)供熱溫度高達550℃的燃氣熔鹽爐。***制造燃氣蒸汽鍋爐,功率范圍:1t/h~25t/h 適用燃料:天然氣 燃燒方式:微正壓燃燒 NOX排放:NOx≤30mg 熱效率:熱效率≥103%
常州市上能鍋爐有限公司真誠與您攜手合作雙贏,共創輝煌
¨:請關注我公司的網站:www.ahsfmf.com www.czrsgl.com www.czsngl.com www.rsdryl.com 聯系電話:0519-82052399